Nachdem ich mein Garagentor schon smart gemacht hatte, drängten sich über die Jahre in der Garage Probleme auf: Daraus ergaben sich ein paar Probleme, die ich nachfolgend gelöst habe. Für die Umsetzung habe ich wieder Teilprojekte abarbeiten müssen, die eventuell in späteren Beiträgen beachtet werden, damit dieser hier nicht zu lang wird (Platinenherstellung, Schaltschrank, Neuverkabelung)….
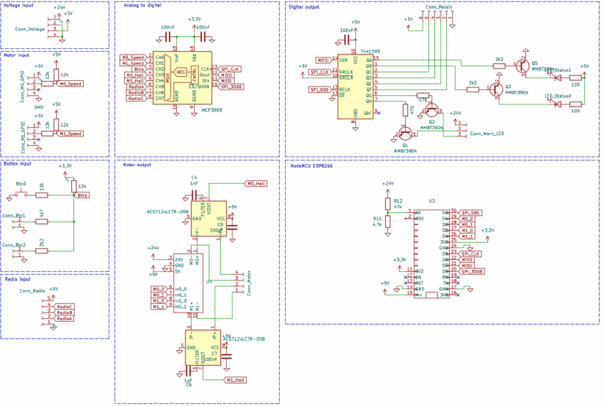
Hoftor – Neue Schaltung nach Problemen
Im Jahr 2023 habe ich mein Hoftor smart gemacht. Ich hatte gehofft, damit einige Probleme der originalen Hardware zu beseitigen. Mein größtes Problem war permanente Stromaufnahme des großen Transformators. Durch die zweistufige Nutzung von Schaltnetzteilen konnte ich die unnötige Energieaufnahme erfolgreich begrenzen. Allerdings zeigte die neue Hardware ihre Schwächen: All diese Schwächen führten zu der…
Garagentor und Garagen-Tool smart machen
Schon seit längerer Zeit versuche ich die alten vorhanden Geräte am Haus durch Eigenbauten zu erweitern und somit ins HomeAssistant einzubauen. Diesmal war die Garage dran. Stromsparendes Garagentor Zuerst war das Garagentor dran. Dieses wird mit einem Chamberlain Motorlift 500 betrieben. Dieses hat einen Trafo mit Gleichrichter verbaut, welcher ständig um die 25 Watt verbraucht….
T-Online-Probleme bei eigenem Mail-Server
Nach der Serverumstellung erhielten wir folgende Fehlermelden auf unserem Mail-Server: Wie soll man nun einer E-Mail-Adresse schreiben, wenn von unserem Mail-Server keine E-Mails dorthin gesendet werden können? Nachforschungen haben ergeben, dass jeder Mail-Server zuerst bei T-Online bekannt gemacht werden muss. Es ist also dringend zu empfehlen, dort kein E-Mail-Konto zu haben. Ich habe dann über…
IPv6-Debian-Router hinter Deutsche Glasfaser im Heimnetzwerk
Wie vor längerer Zeit schon mal vorgestellt, benutze ich einen kleinen Zotac mit zwei Ethernet-Schnittstellen als Router. Dieser läuft nun auch schon ein Jahr mit IPv4 über den Internetprovider Deutsche Glasfaser. Nun habe ich mir endlich die Zeit genommen, auch den IPv6-Anschluss zu vollenden. Ein großer Dank geht dabei an das „Glasfaserforum„, die mir bei…
Kärcher-Staubsauger-Reparatur
Vor ein paar Monaten bekam ich von meinem Vater einen defekten Nass-Trocken-Sauger geschenkt. Beim Aufräumen kam er mir neulich wieder unter die Hände. Nach einer kurzen Analyse zeigte sich, dass es sich um zwei Probleme handelt: Leider gibt es von dem Kärcher-Sauger nur wenige Ersatzteile. Die hier kaputten Teile waren nicht dabei. Deshalb habe ich…
Hoftor – Steuerung mit Energiesparfunktion
Vor über einem Jahr habe ich das vorhandene Hoftor aufgemotzt. Schon damals merkte ich, dass der Transformator schön warm war. Eine Strommessung ergab, dass er im Leerlauf 11 Watt verbraucht. Es wurde also Zeit, diesen durch ein Schaltnetzteil zu ersetzen. Ich wurde bei Pollin fündig und habe es 24V Netzteil gekauft. Nach dem Anschluss merkte…
Dualstack-Webserver hinter privater IPv4-Adresse
Mein Vater hat einen neuen Internetanschluss, der nun auch keine eigene IPv4-Adresse enthält. Stattdessen ist er hinter einem NAT und bekommt nur eine private IPv4-Adresse auf der Fritz-Box zugewiesen. Bisher hatte er seine eigene Nextcloud auf reinem RaspberryPi laufen, die über DynDNS auch online erreichbar war. Da das nun nicht mehr möglich ist, sollte eine…
Hoftor mit WLAN und MQTT aufrüsten
Als ich in unser Eigenheim zog, haben wir dabei ein elektrisch betriebenes Hoftor mitgekauft. Dieses kann mittels Fernbedienung geöffnet und geschlossen werden. Zwei Motoren ziehen dafür am Tor etwas zeitversetzt. Der Vorgang dauert circa 20 Sekunden. Manchmal nervt das etwas, wenn man es eilig hat oder schon jemand in der Straße hinter einem wartet. Deshalb…
LED-Stoppuhr für Wettkämpfe
Bei unserem Wettkämpfen im Feuerwehrsport nutzen wir verschiedene Stoppuhren, um die Zeiten in den einzelnen Disziplinen zu stoppen. Man kann sich dafür bei verschiedenen Herstellern Equipment kaufen. Für die Zuschauer ist es natürlich auch schön, wenn sie während eines Wertungslaufes die fortschreitende Zeit sehen können und nach dem Lauf die elektronisch gestoppte Zeiten der Bahnen…







